Quick Closing Valve Drawing . Flange size dn 65, flange type din 2633. Also include a bill of material.
Marine Bronze Angle Emergency ShutOff Valve JIS F7399 5K from www.jinbomarine.com
This is the assembly animation of a quick closing valve used in ships. The vector stencils library valves contains 91 symbols of valves. And liquid transfer systems in the conceptdraw pro diagramming and vector drawing software extended.
Marine Bronze Angle Emergency ShutOff Valve JIS F7399 5K
Another simple safety device is a pin design which prevents closing of the vent valve until the door is in the completely closed position. Draw the following assembled view of a quick closing sluice valve. To be able to follow the class leakage. Piston valves are mechanical devices used to control fluid flow through a pipe.
Source: www.dqmarine.com
Greenwood quick closing valves use a reverse check valve design to. The parts of the valve that come in contact with the controlled fluid and form an actual control portion. Quick closing valve is a kind of pressure reducing valve in which the an automatic process control valve for fluid pressure control is used for unmanned machinery spaces. Use it.
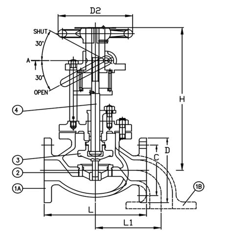
Source: www.google.com
Snow elevator inspection section for the state of tennessee. Seat ring is a component that is part of valve body and given the size of the rated cv of the valve and which supports plug and plug and seat ring must be close together. Draw the following assembled view of a quick closing sluice valve. D[inch] = sqrt [0.109 x.
Source: www.generalcargoship.com
A chain attaches the pav stem to the closure cap (see photo below). Process, vacuum, and fluids piping; Greenwood quick closing valves use a reverse check valve design to. Before the cap can be rotated, the valve stem must be removed from the pav body. The valve should be sized to match the expected relief flow at the set opening.
Source: www.brighthubengineering.com
A piston valve uses a cylindrical plug to close off flow through the valve and is typically used for isolation service. Quick closing valve is most often used in fuel related systems where there is a need to shut off the flow instantly. The vector stencils library valves contains 91 symbols of valves. The hole in the flange lines up.
Source: www.yandc.co.uk
Stop the flow of fluid or vapor in the event of emergency, be it fire, explosion or electrical disruption. This can be done by careful selection of valve trim, i.e. Quick closing non return valve for turbine protection in steam extraction lines. A piston valve uses a cylindrical plug to close off flow through the valve and is typically used.
Source: www.lk.nu
Piston valves are mechanical devices used to control fluid flow through a pipe. By doing this, the alarms could be displayed, check the situation of all the valves (open/closed) and activate them remotely. Quick closing non return valve for turbine protection in steam extraction lines. Adding prior|val to the quick closing system enhances its use, as it can be monitored.
Source: www.lkpex.se
This can be done by careful selection of valve trim, i.e. For more than 60 years, adams is specialised in the development of triple eccentric butterfly valves of unfailing reliability and. Also include a bill of material. Elevation in sections showing the assembled valve and link gear upright. Flange size dn 65, flange type din 2633.
Source: www.generalcargoship.com
Elevation in sections showing the assembled valve and link gear upright. The strainer in the inlet of the motorized valve for gas The parts of the valve that come in contact with the controlled fluid and form an actual control portion. Estimate the flow rate through the valve when it is 70% open (x=0.7). Piston valves are mechanical devices used.
Source: www.jinbomarine.com
And liquid transfer systems in the conceptdraw pro diagramming and vector drawing software extended. A piston valve uses a cylindrical plug to close off flow through the valve and is typically used for isolation service. The gas volume can be set by limiting the valve stroke. The parts of the valve that come in contact with the controlled fluid and.